
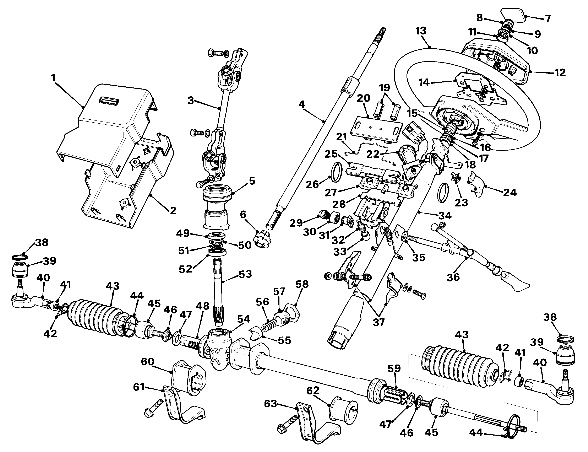
Zahnstangenlenkung / Steering rack and pinion
Rover 213/216 Serie I
Durch Berühren der Kennziffer mit dem Mauszeiger erhält man die Benennung des Begriffs.
By touching the code number with the mouse pointer you get the name of the term.

| Nr | Components | Komponenten |
|---|---|---|
| 1 | Steering column upper shroud | Obere Lenksäulenverkleidung |
| 2 | Steering column lower shroud | Untere Lenksäulenverkleidung |
| 3 | Intermediate shaft | Zwischenstück (2 Kardangelenke) |
| 4 | Steering shaft | Lenksäule |
| 5 | Cover | Abdeckung |
| 6 | Lower bearing | Untere Lagerung |
| 7 | Blanking plate | Abdeckplatte |
| 8 | Nut | Mutter |
| 9 | Circlip | Sprengring |
| 10 | Washer | Unterlegscheibe |
| 11 | Thrust ring | Druckscheibe |
| 12 | Horn push | Hupentaste |
| 13 | Steering wheel | Lenkrad |
| 14 | Contact plate | Kontaktplatte |
| 15 | Upper bearing | Oberes Lager |
| 16 | Washer | Unterlegscheibe |
| 17 | Wave washer | Wellenförmige Unterlegscheibe |
| 18 | Spacer | Abstandhalter |
| 19 | Bending plate guide rail | Lenkungsmontageplatten-Führung |
| 20 | Bending plate guide | Lenkungsmontageplatte |
| 21 | Retaining spring | Spannfeder |
| 22 | Steering lock/ignition switch | Lenkschloß/Zündschloß |
| 23 | Horn contact | Hupen-Kontakt |
| 24 | Bracket | Lager |
| 25 | Bending plate | Montageplatte |
| 26 | Rubber band | Gummiring |
| 27 | Column bracket | Lenksäulenlagerung |
| 28 | Bending plate base | Untere Montageplatte |
| 29 | Self-locking nut | Selbstsichernde Mutter |
| 30 | Collar | Manschette |
| 31 | Stopper | Stopper |
| 32 | Spring | Zugfeder |
| 33 | Tube | Federgehäuse |
| 34 | Steering column tube | Lenksäulengehäuse |
| 35 | Washer | Unterlegscheibe |
| 36 | Rake lever | Hebel zur Lenksäulen-Verstellung |
| 37 | Column pivot | Lenksäulen-Drehlager |
| 38 | Dust excluder clip | Staubdeckelhalter |
| 39 | Dust excluder | Staubdeckel |
| 40 | Tie-rod and balljoint | Spurstange und Kugelgelenk |
| 41 | Locknut | Kontermutter |
| 42 | Bellows clip | Manschettenhalter |
| 43 | Bellows | Manschette |
| 44 | Clip | Manschettenhalter |
| 45 | Tie-rod | Spurstange |
| 46 | Lockplate | Riegelplatte |
| 47 | Stop washer | Sperrscheibe |
| 48 | Rack | Zahnstange |
| 49 | Dust seal | Staubdichtung |
| 50 | Circlip | Sprengring |
| 51 | Circlip | Sprengring |
| 52 | Pinion bearing | Ritzellager |
| 53 | Pinion shaft | Ritzel |
| 54 | Rack housing | Zahnstangengehäuse |
| 55 | Rack damper slipper | Zahnstangeneinschlagregler |
| 56 | Spring | Feder |
| 57 | Adjuster screw | Einstellschraube |
| 58 | Locknut | Kontermutter |
| 59 | Rack end bush | Zahnstangenendlagerung |
| 60 | Mounting insulator | Dämpferstück |
| 61 | Mounting clamp | Anbauklemmschelle |
| 62 | Mounting insulator | Dämpferstück |
| 63 | Mounting clamp | Anbauklemmschelle |